
「夢をかたちに」──設備に、価値を。
COMONは、「夢をかたちに」をスローガンにかかげ、設備を「作る物」から「価値を生み出す物」として考えています。 プロダクト デザインを軸に総合的なソリューションを提供します。プロフェッショナルなチームと高品質な設備で、お客様の夢を叶えるビジョンを形にすることをサポートします。
プロダクト/組織
PART 01
ブルワリー、飲料、蒸留所、化粧品、液体食品、水処理など様々な産業向けに特化した流体プロセス制御ソリューションを提供しプロダクトデザインに特化しています。
弊社は、テナント設計、レイアウト設計、製造、コンサルティング、制御システム統合、ターンキープロジェクト、納品まで、end to end(最初から最後まで)のサービスを提供しております。

プロジェクト管理チーム
8名のプロジェクトマネージャー
全員が学士号取得者です
- 醸造プロセスおよび設備に関する知識
- エンジニアリングバックグラウンド
- 豊富なプロジェクト管理経験



技術チーム
8名のシステムエンジニア
全員が学士号取得者です
- 醸造プロセスおよび設備に関する知識
- 液体処理に関する知識
- エンジニアリングバックグラウンド
- 設備設計における豊富な経験




エンジニアリング業務
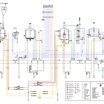
PID図面

プロセス機器間の相互接続とシステム全体の流れを示す詳細な配管・計装図を作成します。
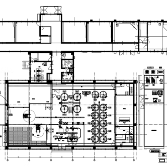
プロジェクトレイアウト

効率的な生産フローを確保するための最適な設備配置計画を設計します。
3D図面

実際の設置前に空間関係と設備の統合を視覚化する詳細な3Dモデルを提供します。
2D図面

製造と設置のための正確な技術仕様と寸法を示した詳細図面を作成します。
プログラミングチーム
2名のプログラミングエンジニア
全員が学士号取得者です。



1
醸造技術に関する知識
2
プログラミングにおける豊富な経験
3
プログラミング革新への情熱
生産・品質チーム
66名のチームメンバー
全員が学士号取得者です。




1
職人チーム
高度な技術と細部へのこだわりを持つ熟練の製造スペシャリスト
2
品質チーム
厳格な品質基準を維持し、すべての製品が最高水準であることを保証
3
設置チーム
世界中のクライアント現場で迅速かつ効率的な設備設置を実施
製造施設
最先端の製造施設を備え、高品質な醸造・飲料・蒸留設備を製造しています。
精密な加工技術と厳格な品質管理により、世界中のお客様に信頼される製品を提供しています。






